Форум РадиоКот • Просмотр темы — Часы Электроника 6.15
Сообщения без ответов | Активные темы
| ПРЯМО СЕЙЧАС: |
| Автор | Сообщение | ||
|---|---|---|---|
|
|
Заголовок сообщения: Re: Часы Электроника 6.15
|
||
Карма: 2 Рейтинг сообщения: 0
|
На моих часах все кнопки блокируются когда переключаешь часы в «ночной» режим (тускло светит индикатор) |
||
| Вернуться наверх |
Профиль
|
||
| Реклама | |
|
|
|
|
Martin76 |
Заголовок сообщения: Re: Часы Электроника 6.15
|
||
Карма: 179 Рейтинг сообщения: 0
|
Яркость уменьшается изменением скважности импульсов на разряды с 1 / 4 до 1/8 вроде. ИЕ13 такие импульсы не распознает, поэтому кнопки и не работают. У этого комплекта мс в режиме будильника еще и на кнопку К нет реакции, что было удобно использовать иногда для второй какой то функции этой кнопки. |
||
| Вернуться наверх | |||
| Реклама | |
|
|
|
|
Вася82 |
Заголовок сообщения: Re: Часы Электроника 6.15
|
|
Зарегистрирован: Пн дек 29, 2014 21:43:25 Рейтинг сообщения: 0
|
Когда я включаю кнопочку будильника в верху появляется точка,когда включаю ночной режим ,индикатор горит тускло ,когда третью сверху индикатор тухнет пока держеш кнопку .Дальше все нет реакции. На индикаторе 11.11 точка мерцает но еденицы стоят на месте |
| Вернуться наверх | |
|
Андрей Бедов |
Заголовок сообщения: Re: Часы Электроника 6.15
|
||
Карма: 233 Рейтинг сообщения: 0
|
Раз счётчик не считает, то да – ИЕ13. |
||
| Вернуться наверх | |||
| Реклама | |
|
Выгодные LED-драйверы для решения любых задач КОМПЭЛ представляет со склада и под заказ широкий выбор LED-драйверов производства MEAN WELL, MOSO, Snappy, Inventronics, EagleRise. Линейки LED-драйверов этих компаний, выполненные по технологии Tunable White и имеющие возможность непосредственного встраивания в систему умного дома (димминг по шине KNX), перекрывают практически полный спектр применений: от простых световых указателей и декоративной подсветки до диммируемых по различным протоколам светильников внутреннего и наружного освещения. Подобрать LED-драйвер>> |
|
Вася82 |
Заголовок сообщения: Re: Часы Электроника 6.15
|
|
Зарегистрирован: Пн дек 29, 2014 21:43:25 Рейтинг сообщения: 0
|
Спасибо всем! поменял микросхему ИЕ13 часы работают ! |
| Вернуться наверх | |
| Реклама | |
|
|
|
| Реклама | |
|
LIMF – источники питания High-End от MORNSUN со стандартным функционалом на DIN-рейку На склад Компэл поступили ИП MORNSUN (крепление на DIN-рейку) с выходной мощностью 240 и 480 Вт. Данные источники питания обладают 150% перегрузочной способностью, активной схемой коррекции коэффициента мощности (ККМ; PFC), наличием сухого контакта реле для контроля работоспособности (DC OK) и возможностью подстройки выходного напряжения. Источники питания выполнены в металлическом корпусе, ПП с компонентами покрыта лаком с двух сторон, что делает ее устойчивой к соляному туману и пыли. Изделия соответствуют требованиям ANSI/ISA 71.04-2013 G3 на устойчивость к коррозии, а также нормам ATEX для взрывоопасных зон. Подробнее>> |
|
SiiiP |
Заголовок сообщения: Электроника 6.15
|
|
Зарегистрирован: Пн фев 23, 2015 17:59:15 Рейтинг сообщения: 0
|
есть проблема. Часы спешат, на сколько не знаю, с чего начать, кто что посоветует? |
| Вернуться наверх | |
|
Андрей Бедов |
Заголовок сообщения: Re: Электроника 6.15
|
||
Карма: 233 Рейтинг сообщения: 0
|
Начните с осмотра цепей кварцевого резонатора: надёжность пайки, отсутствие загрязнений платы. |
||
| Вернуться наверх | |||
|
watchmaker |
Заголовок сообщения: Re: Часы Электроника 6.15
|
|
Это не хвост, это антенна
Карма: 34 Рейтинг сообщения: 0
|
В первую очередь менять кварц, а потом уже всё остальное. Советские кварцы скачком (реже постепенно) деградируют через 10-20 лет работы, причем частота как правило едет вверх. |
| Вернуться наверх | |
|
SiiiP |
Заголовок сообщения: Re: Электроника 6.15
|
|
Зарегистрирован: Пн фев 23, 2015 17:59:15 Рейтинг сообщения: 0
|
SiiiP писал(а): есть проблема. Часы спешат, на сколько не знаю, с чего начать, кто что посоветует? в общем сначала пропаял цепи кварца, после вкл и проверил (засекал кое как секундомером), вроде спешили на секунду, после покрутил подстроечный конденсатор в разные стороны и оставил на четверть по часовой от начального положения, вроде не отстают. Сейчас больше суток работают без опережения. Всем спасибо |
| Вернуться наверх | |
|
watchmaker |
Заголовок сообщения: Re: Часы Электроника 6.15
|
|
Это не хвост, это антенна
Карма: 34 Рейтинг сообщения: 0
|
В таком случае скорее всего непропай конденсаторов. |
| Вернуться наверх | |
|
horizon |
Заголовок сообщения: Re: Часы Электроника 6.15
|
|
Зарегистрирован: Вс мар 15, 2015 00:36:25 Рейтинг сообщения: 0
|
здраствуйте форумчане! имеются часы электроника на схеме такой же как http://forum.ixbt.com/post.cgi?id=attac … :108:1.jpg , скопировал тут с темы у форумчанина, поменял конденсаторы 2 штуки, кварц пока не менял. часы при включении показывают нереальные цифры типа 58 00 и т.д. а потом при нажатии кнопки сброс, по нулям все и начинают работать. НО не реагируют на нажатие кнопок, минута часы и будильник. Работают выключатель будильника и переключатель яркости. ПОСОВЕТУЙТЕ что нибудь, в чем может быть причина. заранее спасибо. |
| Вернуться наверх | |
|
horizon |
Заголовок сообщения: Re: Часы Электроника 6.15
|
|
Зарегистрирован: Вс мар 15, 2015 00:36:25 Рейтинг сообщения: 0
|
раз уж начал починить часы, тогда уж и доделаю другие . ЭЛЕКТРОНИКА Б6-403, стоят у меня на тумбочке дома, работают четко , радуют глаз, только вот одно НО — при отключении электричества в сети (отключения происходят очень часто) , часы сбиваются, и когда опять появляется сеть, часы либо начинают с нулей, либо другое время которое «вздумается». Батарейку крона ставлю, но не помогает. |
| Вернуться наверх | |
|
horizon |
Заголовок сообщения: Re: Часы Электроника 6.15
|
|
Зарегистрирован: Вс мар 15, 2015 00:36:25 Рейтинг сообщения: 0
|
мне кто нибудь поможет на этом форуме?! или хотя бы попытается…ау есть тут вообще люди |
| Вернуться наверх | |
|
АлександрЛ |
Заголовок сообщения: Re: Часы Электроника 6.15
|
||
Карма: 180 Рейтинг сообщения: 0
|
horizon писал(а): …ау есть тут вообще люди Сейчас появятся.. Фильм про Крым закончится.. И ещё- обратите внимание на конденсатор от 11 вывода ИД13 на «землю»- его ёмкость в разных схемах указывают разной- от 1000 пикофарад до 0,1 мкФ, лучше ставить 1000, (хотя я свтречал схемы вообще без него) При большой его ёмкости может НЕ устанавливаться время.. |
||
| Вернуться наверх | |||
|
horizon |
Заголовок сообщения: Re: Часы Электроника 6.15
|
|
Зарегистрирован: Вс мар 15, 2015 00:36:25 Рейтинг сообщения: 0
|
спасибо за ответ, но я как человек -новичок в электронике, не особо разбираюсь в названиях и предназначениях деталей, и что такое ИД13 и где 11 вывод, я не смог определить. Если вам не трудно , объясните мне что да как, по -подробнее. На счет пропаять — пропаял везде где казалось слабая пайка, ниче не изменилось. Вот фотики на 4 фото, это когда включаешь часы вначале появляются такие знаки, а потом при сбросе, сбрасывает на 15:00, и дальше идут норм как положено, только настроить часы никак. |
| Вернуться наверх | |
|
Martin76 |
Заголовок сообщения: Re: Часы Электроника 6.15
|
||
Карма: 179 Рейтинг сообщения: 0
|
Если режим пониженной яркости управляется переключателем у ИЕ18, и если он включен, то кнопки работать не будут. |
||
| Вернуться наверх | |||
|
horizon |
Заголовок сообщения: Re: Часы Электроника 6.15
|
|
Зарегистрирован: Вс мар 15, 2015 00:36:25 Рейтинг сообщения: 0
|
кнопка будильник работает, и переключатель яркости работает а также сброс, только сбрасывает до 15.00. Так что мне теперь делать я не совсем понял вас , если честно, если не трудно еще разок. |
| Вернуться наверх | |
|
АлександрЛ |
Заголовок сообщения: Re: Часы Электроника 6.15
|
||
Карма: 180 Рейтинг сообщения: 0
|
А, если нажать «сброс» и оставить часы в покое- потом какая индикация будет? — 15:01, 15:02……15:59- и дальше? |
||
| Вернуться наверх | |||
|
horizon |
Заголовок сообщения: Re: Часы Электроника 6.15
|
|
Зарегистрирован: Вс мар 15, 2015 00:36:25 Рейтинг сообщения: 0
|
да, 15:01, 15:02 и так часы идут как обычно, правда на час я не оставлял не знаю что там в конце будет, а там минут 20 работали. И еще , забыл сказать что когда я замыкаю пинцетом выделенные контакты, не помню точно какие именно, то настраиваются часовой индикатор, т.е первые 2 цифры идут как положено 15 часов, 16 часов 17 часов и так до конца, можно выставить любой час. А вот минуты не идут никак, замыкал все контакты разными комбинациями. При нажатии кнопки будильник, значок будильника появляется, выключаешь соответственно исчезает. |
| Вернуться наверх | |
|
horizon |
Заголовок сообщения: Re: Часы Электроника 6.15
|
|
Зарегистрирован: Вс мар 15, 2015 00:36:25 Рейтинг сообщения: 0
|
а где можно найти этот 176ИЕ13 ? в продаже такие остались интересно. Есть у меня еще одни такие часы, там часы работают, не работает только будильник, но они очень старые и не имеют вида, а этот который я хочу отремонтировать, он новый, им не пользовались, просто лежал себе, а когда включили лет через 15 -20 то они уже оказались не рабочими. |
| Вернуться наверх | |
Кто сейчас на форуме |
|
Сейчас этот форум просматривают: нет зарегистрированных пользователей и гости: 11 |
| Вы не можете начинать темы Вы не можете отвечать на сообщения Вы не можете редактировать свои сообщения Вы не можете удалять свои сообщения Вы не можете добавлять вложения |
- Автор
- Сообщение
-
Не в сети
- Сообщения: 634
- Зарегистрирован: Пн янв 04, 2016 5:56 pm
- Контактная информация:
Электроника 6-15 бежит вперед паровоза.
Сообщение
AAV » Вт май 28, 2019 11:50 am
Доброго дня всем! Настольная электроника побежала на 20-30 минут в сутки вперед, есть специалисты? В чем может причина быть? И регулируется ли как нибудь точность хода?
-
Не в сети
- Сообщения: 634
- Зарегистрирован: Пн янв 04, 2016 5:56 pm
- Контактная информация:
-
Не в сети
- Сообщения: 698
- Зарегистрирован: Сб мар 02, 2019 7:28 pm
- Контактная информация:
Re: Электроника 6-15 бежит вперед паровоза.
Сообщение
Alfatron » Вт май 28, 2019 6:05 pm
На 176 серии часы. Для начала — когда делалось хоть какое ТО?(подозреваю никогда).
Причина может быть ОТ и ДО.
На пыль попал влага, залезло насекомое, просто отложения, «вылезла» холодная пайка и т.д. и т.п.
Если хоть «какое-то» представление о паяльнике имеете, то лучше туда не лезьте сами.
Если понятно, что 176 серия и статика не совместимы и умеете работать с КМОП микросхемами и тем более с паяльником, тогда смотрите частотомером, что у Вас на выходе ИЕ18 и какую частоту генерирует кварц.
Просто так, ткнуть отверткой и произнести сокраменталку из фольклора, делу не поможет.
-
Не в сети
- Сообщения: 634
- Зарегистрирован: Пн янв 04, 2016 5:56 pm
- Контактная информация:
Re: Электроника 6-15 бежит вперед паровоза.
Сообщение
AAV » Вт май 28, 2019 7:00 pm
Alfatron писал(а):На 176 серии часы. Для начала — когда делалось хоть какое ТО?(подозреваю никогда).
Причина может быть ОТ и ДО.
На пыль попал влага, залезло насекомое, просто отложения, «вылезла» холодная пайка и т.д. и т.п.
Если хоть «какое-то» представление о паяльнике имеете, то лучше туда не лезьте сами.
Если понятно, что 176 серия и статика не совместимы и умеете работать с КМОП микросхемами и тем более с паяльником, тогда смотрите частотомером, что у Вас на выходе ИЕ18 и какую частоту генерирует кварц.
Просто так, ткнуть отверткой и произнести сокраменталку из фольклора, делу не поможет.
Спасибо за ответ, думаю не стоит ничего делать, т.к. для этих работ нужна какая никакая база, хотя опыт есть, но нет ни приборов, ни особого желания ими обзаводиться.
-
Не в сети
- Сообщения: 3126
- Зарегистрирован: Пн фев 28, 2011 1:03 pm
- Контактная информация:
Re: Электроника 6-15 бежит вперед паровоза.
Сообщение
dmvt1 » Пт май 31, 2019 12:33 pm
Причина может быть только одна — деградация кварцевого резонатора 80-х годов. В наручных кварцевых часах это давно известная проблема, более 70% кварцевых блоков страдают этой бедой. Правда там все ограничивается убеганием на 2-3 мин. в сутки. Лечится только одним способом — замена кварца на новый. Замечательно подходят кварцы от старых материнских плат. Там есть часовой кварц.
Вторая, намного менее вероятная причина — неисправность подстроечного конденсатора, но он, обычно, влияет на 20-30 сек. в сутки в обе стороны. 20 мин. в сутки дать не может
-
Не в сети
- Сообщения: 60
- Зарегистрирован: Пн янв 02, 2017 9:08 pm
- Контактная информация:
Re: Электроника 6-15 бежит вперед паровоза.
Сообщение
siealex » Пт июн 14, 2019 12:02 am
Вторая, намного менее вероятная причина — неисправность подстроечного конденсатора, но он, обычно, влияет на 20-30 сек. в сутки в обе стороны. 20 мин. в сутки дать не может
На некоторых моделях может при полном обрыве. Но гораздо чаще десятки минут в сутки и больше на советской электронике — это неисправность логики, а не кварц. Меняем кварц (и проверяем всю его обвязку), меняем конденсаторы по питанию, не помогает — меняем 176ИЕ12.
Настольные часы электроника
- Часы электроника 13 Г9-04
- Часы электроника 6.15
- Часы электроника Б6-401 СЕРЫЕ 1975г с АРЯ (автоматич рег. яркости)
- Часы электроника Б6-401 СИНИЕ 1976г.
- Часы электроника Б6-402 КРАСНЫЕ 1976г.
- Часы электроника Б6-402 КРАСНЫЕ хром отделка 1977г.
- Часы электроника Б6-402 БЕЛЫЕ хром отделка 1977г.
- Часы электроника Б6-403 1979г. желтые
- Часы электроника Б6-403 1981г. белые
- Часы электроника 2-05 1980г. NEW SPACE AGE красные
- Часы электроника 7-21-01 1992г.
- Часы электроника 12-41В красные
- Автомобильные часы электроника-8 на ВНИ (вакуумно накаливаемые индикаторы)
- Часы электроника 9-06
- Часы электроника 18.07 с календарем
- Часы электроника 6.11
Настенные часы электроника
- Часы Сова
- Часы Избушка с кукушкой
- Часы Избушка с лилией
- Часы маска Кот
- Часы маска Сатир
Этот раздел посвящен советским настольным и настенным часам электроника, которые по сей день не утратили свою популярность, из-за хорошего качества и стильного дизайна, который интересен и привлекателен даже на сегодняшний день. Здесь будут собираться схемы, фото, мануалы по ремонту и восстановлению.
Часы электроника Б6-401 с автоматической регулировкой яркости
Год выпуска 1975.
серийный номер №3368
Часы электроника Б6-401 ремонт и восстановление
Стеклянный кварц частотой 32 766 КГЦ
Эти часы попали в нерабочем состоянии, трупЪ часы не включались, но после подробного осмотра и измерений вселилась надежда на восстановление. Сами часы весьма интересный экземпляр одни из первых с (АРЯ) .Также часовой кварц на плате идет в стеклянном исполнении , в виде лампы.
Часы этого года выпускались с фронт панелями белого и черного цвета, сами корпуса выпускали синего, красного и серого цвета , других цветов пока не встречал.
Внешнее состояние тоже на троечку передняя панель пожелтела со временем, сам корпус грязный и требуется чистка и полировка , хром тоже необходимо восстанавливать.
План работ:
1. Восстановление корпуса ( удаление желтизны,грязи,царапин)
2. Восстановление рамки хром
3. Восстановление электроники.
Схема часов электроника Б6-401
Схема часов не найдена, но схема часов частично похожа на схему часов электроника Б6-402, отличие есть в блоке питания.
Часы сделаны на 176 логике .
К176ие3 -3 шт.
К176ие4 -3 шт.
К176ие5 -1 шт.
К176ла9 -1 шт.
Часы до восстановления
передняя панель пожелтела требуется восстановление
индикаторы 1976г севшие , требуется замена
в часы зачем то засунули старый электролит 1000 мф 63в
предохранитель сгорел
2 транзистора КТ315 пали смертью храбрых, заменены на новые
старый шнур питания заменен на новый
фоторезистор лапки отгнили под корень , пришлось доработать чтоб была возможность подпаяться
Электролиты 2 шт на 220мФ63в. и 1 шт 100мф63в. заменены на новые
Пожелтевшую переднюю панель часов пришлось отбеливать спец химией
В блоке питания трудится П217А
Трансформатор с 1975 года шел обычный нонейм , с 1976г и далее стали ставить ТС-4-2. Размещаю габаритные параметры железа транса и параметры обмоток модели 1975г.
Трансформатор часов электроника Б6-401 параметры обмоток.
I — 5000в. диаметр — 0.12
II — 620в. диаметр — 0.25
III — 38в. диаметр — 0.59
Провека и сборка часов после ремонта
Перед сборкой что надо смазано , отчищено , почищено ,отмыто и отполировано. Также проверена и восстановлена работа датчика яркости (фоторезистора.) т.к. ранее он не реагировал никак.
Часы электроника Б6-401 видео работы часов
Часы электроника Б6-403 белые
Год выпуска 1981.
серийный номер №12276
Производитель: Анд (хто такой ? пока не узнал)
Модель: Б6-403
Резервное питание : есть (9в.)
Яркость: есть
План работ по восстановлению.
Состояние часов на троечку , внешне ушатаны сильно , по технич. части состояние лучше.
1.Восстановление корпуса ( удаление желтизны,грязи,царапин)
2. Восстановление рамки хром
3.Восстановление электроники.
4.Замена ламп.
Состояние часов до ремонта
Процесс ремонта часов электроника Б6-403 белые.
Если с ремонтом электроники проблем особых нет, то восстановление корпуса еще тот гемморой , но было найдено революционное решение (хорошая химия для восст.пластика) для восстановления белизны корпуса .восстановить белизну удалось в течении 2х дней. Перед восстановлением химией корпус был отмыт и отчищен от жира и грязи щелочью.
Схемотехнически часы такие же как и желтые часы электроника Б6-403 ,схема которых расположена в этом разделе.
На задней панели заменены кнопки , задней крышки отсека батареи нет придется печатать на 3Д принтере.
Часовой кварц 32768 и конденсатор обвязки аккуратно засунули в коробочку , такое решение я видел только на моделях производителя «Анд»
электролит по питанию заменен на качественный jamicon
Хром восстановил частично весь пока решил не смывать восстановленный хром металлизир.клейкой пленкой ( вид не очень , надо будет смыть хлорным железом и перекрасить полностью, как будет время)
установлены новые лампы
установлен новый шнур
часы в сборе
Часы электроника 13 Г9-04
Ремонт и восстановление часов. Часы попались в неплохом состоянии. На единственном болте которым скручены часы стояла пломба, и это очень радует что никто там не ковырял.
Описание часов электроника:
Год выпуска 03.1986г.
Модель: Г9.04
Цена: 35р.
Будильник: нет
Резервное питание : да (9в.)
Яркость: есть
Корпуса часов выпускались белого, синего,коричневого и красного цвета.
корпус в синем пластике
Схема часов электроника Г9-04
схема часов электроника Г9-04
еще вариант схема часов электроника Г9-04
Схемы часов практически одинаковые , отличие только в блоке питания.
Видео работы восстановленных часов электроника Г9-04
Часы сделаны на восьми микросхемах 176 логики. Функционал часов не богат есть только резервное питание ,будильник отсутствует. Часы после проверки и чистки работают точно. И так что есть на борту у этих часиков :
Основная часть компонентов платы :
К176ла9 -1 шт
К176ие4 -3 шт
К176ие3 -3шт
К176ие5 -1шт
Питание транс ТС-4-2
Лампы ИВ-12 -4шт ( панели идут на плате ПЛ25-П)
Лампа ИВ-1 -1шт разделительная секундная точка тире.
Лампы за 30 лет сели пришлось заменить. В остальном все отлично сохранилось даже электролиты на 200Мф.
Состояние в котором они попали ко мне это: выгоревший желтый пластик, вымазанный клеем шильдик и пер.панель, севшие лампы.
измазанная передняя панель
Выгоревший желтый пластик
Выгоревший люминофор
Нижняя часть с маркировкой
открытая фронтальная часть
Сохранилась верхняя черная панель котор. закрывает лампы и транс
нижняя часть платы разводка
Свежие лампы для замены
Десятки минут мальца засвечивает позже подыщем замену
И так нарисовался фронт работ :
- Восстановление пластика т.е. удаление желтизны
- Замена ламп.
- Проверка электролитов
- Переклеить шильдик электроника 13 и отчистить передн. панель.
Со вторым, третьим и четвертым пунктом проблем не было. Проблемы были с первым пунктом. Изучив природу этой желтизны, погуглив в сети и собрав все способы удаление желтизны с пластика я приступил.
Удаление желтизны с пластмассы
Природа пластика восьмидесятых, это пластик который под действием солнечного света начинает желтеть и довольно сильно. Сейчас я списком укажу какие я способы пробовал и они не помогли , и также напишу, что помогло при восстановлении корпуса.
Не помогло :
Сода + уксус
Скипидар
Перекись водорода 15%
Спирт 96%
Меламиновые губки (смоченные в воде)
Отбеливатель
Помогло :
Ацетон
Меламиновые губки (смоченные в ацетоне)
Техника очистки корпуса :
Так как ацетон агрессивная химия и плавит пластик, делать нужно быстро и аккуратно.
Первый этап предварительно очистив пластик и высушив, меламиновую губку смачиваем в ацетоне (не отжимаем) и быстро с средним нажимом протираем все поверхности, второй этап после 1-2 мин. отжимаем губку на половину быстрыми движениями протираем все поверхности ( на этом этапе начинает собираться на губке желтизна если губка загрязнилась меняем ее) третий этап влажная губка на половину без отжима быстро протираем все поверхности. При необходимости повторяем третий этап дважды чистой губкой.
Если у кого-то был опыт отбеливания пластика напишите пожалуйста т.к. проблема эта массовая и было бы интересно узнать другие методы и взять на вооружение.
Процессс отбеливанияяяя….
Панель также отмывалась меламиновой губкой (кроме зел. светофильтра)
Засаленные грязные кнопки хорошо отчистились меламиновой губкой стали как новые
Результат как вы видите неплохой получился. Вместо желтого получился благородный цвет слоновой кости.
Часы электроника 6.15
О часах электроника 6.15
Часы электроника 6.15 выпускали с 80х по 90 годы в разных цветовых решениях и исполнениях.
Корпуса часов выпускали пластиковые и деревянные, т.е. облицованные шпоном ценных пород дерева,красное дерево,бук.
Передняя панель в основном шла из зеленого пластикового светофильтра с горизонтальными тиснеными полосками по горизонтали сверху,снизу и надписью электроника 6.
Покрытие тиснения позолотой, в основном было на корпусах облицованных ценными породами дерева.
Кнопки настройки часов размещали как спереди так и сзади, на пластиковых корпусах кнопки в основном были спереди ,а на деревянных на задней части часов.
Часы сделаны на логике 176 серии К176ие18 К176ие13 К176ид3
Индикатор используется ИВЛ 1-7/5, трансформатор питания Т19-220-50
План ремонта :
1.Восстановить корпус
2.Исправить неисправность — (пропадает почти полностью индикация на часах при шевелении платы.)
3.Замена кабеля питания
Ремонт часов электроника 6.15
С начала решил восстановить корпус , а именно приклеить зеленый светофильтр передней панели.Зачистить и подклеить буковый шпон, покрасить матовым акриловым лаком.
отклееный светофильтр
шлифовка корпуса
просветка внутренностей
При сборке корпуса вылезла одна небольшая неприятность, как вы видите на последней фотографии через зеленый светофильтр видна белая часть корпуса, пришлось всю внутреннюю белую часть закрасить черным маркером.После этой процедуры через светофильтр виден только индикатор.
Второй этап ремонта — ремонт внутренностей .
Замена кабеля питания и батарейки резервного питания 9v .
Старый кабель питания перемотан изолентой в двух местах
Новый кабель с вилкой
Схема часов электроника 6.15
Внутренности часов
Зеленый светофильтр был приклеен клеем момент .
Заменен старый электролит фильтра и кварц.
Неисправность — пропадание индикации, было вылечено полным пропаиванием индикатора и основных узлов питания .
Также бывает и такая неисправность :
Часы работают, но нет возможности установить время или будильник ,кнопки SB1 SB2 SB3 не реагируют ни как.
Решение:
Включить режим полной яркости индикатора .
Задняя часть часов.
Кнопки настройки часов
Логотип и наименование модели.
Корпус часов покрашен матовым акриловым лаком чтобы была видна структура букового шпона.
часы в интерьере с телефоном тан-6
Часы электроника Б6-401
О часах
Часы электроника Б6-401 , Б6-402 , Б6-403 выпускали ориентировочно с 1975 по 1980 г. в разных корпусах и цветовых исполнениях .
Варианты корпусов которые выпускали.
белый корпус
красный корпус
Синий корпус электроника Б6-403 1979г.
Модель Б6-401 выпускали с 1975 по 1976г. Изучив экспонаты музея Сергея Фролова выяснилось что мои часы ориентировочно 1976г. выпуска.
Ремонт часов электроника Б6-401 синие
Часы попали ко мне в плачевном состоянии. Корпус был весь измазан краской светофильтра вообще не было, лампы были все севшие . Кабель питание весь грязный ,а вилка порезаная под евро розетку .Единственное ,что обрадовало что плату часов никто не ковырял .
Состояние часов в котором они ко мне попали .
Плату почистил от пыли , заменил все старые электролиты (со временем высыхают) Лампы 1976г. за 30 с лишним лет эксплуатации сели, люминофор потускнел. Пришлось все лампы заменить .
Новые лампы
Схема часов электроника Б6-402
Вот что ведают журналы тех времен если не используются транзисторные ключи.
Транзисторные ключи сделаны на транзисторах КТ361Д в следущих моделях уже ставили транзисторные сборки К161КН1.
Очищенная плата
Старые лампы в работе
Новые лампы в работе
С корпусом пришлось повозиться, полностью зачищать от краски наждачной бумагой. После шлифовки корпус шлифовал мелкой наждачной бумагой и полировал тряпичным тампоном смоченным в ацетоне, получилось довольно неплохо корпус приобрел свежий вид.
Хромированные детали полировались паста гое .
До и после обработки почуствуйте разницу .
До обработки
После обработки
Дальше пришлось восстанавливать стекло и внутренний экран который закрывает все внутренности кроме ламп, чтоб был похож на оригинал .
Оригинальная лицевая панель.
Если присмотреться то лицевая часть состоит из 3х частей стекло (или оргстекло),черная рамка с надписью электроника , и черный экран возле самих ламп .
В моем случае это все отсутствовало.
Восстановленная лицевая панель электроника Б6-401
Панель с белым логотипом
Панель с черным логотипом
Основное стекло было вырезано из прозрачного акрила , внутренний черный экран с надписью «электроника» сделал из черного картона и изогнул чуть внутрь к лампам .
При проверке оказалось углы обзора маловаты ,нужно будет еще глубже подрезать черный экран и загибать ближе к лампам.
Фото процесса изготовления передней панели.
Сначала было опробовано на обычной бумаге ,потом делал из черного картона .
На этом фото второй черный экран установлен за лампами
При восстановлении шильдика «электроника» была отдельная история .
Пришлось искать фото с большим разрешением чтоб можно было обработать уменьшить до нужного размера и распечатать. В итоге нашлось фото, с модели Б6-401 а он оказался писаный белым по черному , пришлось делать из негатива позитив.
После как оказалось почти всю работу проделал зря, так как были сомнения какая у меня модель, поэтому при изготовлении перепутал, шильдик «электроника» поставил белый, а не черный.
Черный логотип на Электронике Б6-401
Варианты логотипов.
Конечный правильный вариант панель с черным логотипом.
Восстановленные и полностью работоспособные часы заняли достойное место в моей коллекции.
—————————————————————————————-
Часы электроника Б6-402 белые хром
часы электроника б6-402 фронт
часы электроника б6-402
часы электроника б6-402 боковая и задняя часть
часы электроника б6-402 задняя часть с кнопкой яркости
Модель: Б6-402
Производитель: Зеленоградский завод «Микрон» при НИИ Молекулярной электроники.
Цена: 65р.
Будильник: нет
Резервное питание : нет
Яркость: есть
———————————
Обзор ремонта и восстановления часов. История этих часов терниста и пичальна , но им повезло и они попали ко мне, и они не просто выжили они из гадкого утенка превратились в белого лебедя . Состояние в котором они ко мне попали было — очень, очень, пичальный хлам. Но тем и интересней его было восстановить ! Корпус часов белый который редко встретишь.
разбитое стекло фронт панели
изгаженый и зашкуренный крупной шкуркой корпус
Транс предхоз сука балбес хотел выдрать но он не сдался.
И так фронт работ немалый ! Поехали !!!!
План ! какже без него ! надо курить план ! МНОГО ПЛАНУ =)
- Восстановление трансформатора питания
- Ремонт платы часов
- Ремонт корпуса часов
- Замена кабеля питания
- Восстановление хрома ?
- Замена ламп
- Замена фронтального стекла
Схема часов электроника Б6-402
электроника б6-402 схема
Сначала корпус был разобран и отмыт обычным хозяйственным мылом с щеткой.
желтизну пришлось сошкуривать до белого основания что то шлиф машиной , но в основном в ручную т.к. много криволинейных частей
разложили перепроверили перед сборкой ,типа отк и дефектовка
Трансформатор восстановлен и проклеен. Плата тоже восстановлена резисторы поставлены новые. Заменены старые электролиты на новые.
на плате были засвет 2х сегментов в десятках часов , оказалось 2 резистора были лопнувшие
один из резисторов установлен не по номиналу ( 10к. вместо 20к) видать уже ремонтировали ранее
установлены новые индикаторы ив-12
заменено разбитое стекло фронт панели, вырезал по образцу модели красного цвета
плата отмывалась бензином Калоша от всякого мусора припоя итд.
хром был отполирован но , не восстановлен хром пострадал со временем а также пострадал от рукожопов которые стали его шкуркой елозить тем самым содрали часть покрытия
Часы электроника Б6-402 красные хром
электроника Б6-402 1977г маркировка
Видео восстановленных часов электроника Б6-402
——————————————————
Год выпуска 1977.
серийный номер №324
Модель: Б6-402
Резервное питание : нет
Яркость: есть
——————————————————
Внешнее состояние этой модели часов хорошее, корпус не бит и не царапан.
По техническому состоянию они были не исправны, горели одни нули. Также внутри были обнаружены попытки хардкорного ковыряния и некачественного ремонта.
Если внимательно присмотреться о боже ! ЙОПТ ! кварц его распяли ! на куске текстолита навесными соплями! Любой радиолюбитель знает,что кварц нужно вешать как можно ближе к лапам часовой микры.
куча соплей и загаженная плата в канифоли так делать НИЗЯ !
После таких ремонтов пришлось сначала отмыть всю плату спиртом, переделать сопли а потом ремонтировать.
старые индикаторы сели и пошли все полосами
новые индикаторы
хромированная рамка фронт панели была загажена жиром , ее также пришлось отмывать спиртом
Добротная фронт панель — снаружи 3мм стекло и 5 мм зеленое оргстекло внутри.
Задняя часть модели 1977 года отличается от модели 1976 , на ней 2 решетки вентиляции, а на модели 1976г. 4 решетки вентиляции и отсутствует кнопка яркости ( ее перенесли вниз к кнопкам настройки часов и минут)
Еще интересная особенность (или косяк ) — шильдик » электроника»с фронт панели на модели 1977г белым по черному четко вписывается в черную панель , на модели же 1976г. черным по белому не вписывается.
1977 год.
1976 год
Часы электроника Б6-402 красные пластик
Часы попались в хорошем состоянии для своих лет.
Год выпуска 1976.
серийный номер №01173.
Производитель: неизвестен
Резервное питание : нет
Яркость: есть
Эта модель часов под номером Б6-402 выпускалась с рамкой более толстой и в 2х вариациях хромированая и пластиковая, в моем варианте это пластиковая рамка цвет красный.В остальном дизайн корпуса остался тот же, как и на модели Б6-401.
После вскрытия пришлось приклеить шильдик который со временем отсох и болтался внутри.
С серийным номером отдельная песня. Шильдик маркировки часов отсутствовал, но на месте шильдика была еле заметная надпись карандашом 01173, по надписи предположил, что модель 1973 года, но нет, пришлось для подробной идентификации вскрыть корпус, оказалось это серийный номер. На платах ранее ставили также серийные номера .
Внутренности часов в идеальном состоянии.
Отдельного внимания заслуживает качественная передняя панель. Панель сделана из 4 мм стекла и добротного советского 5мм бирюзового оргстекла.
стекла установлены боком для наглядности
маркировка на плате лев. нижний угол
ЭЛЕКТРОНИКА Б6-403
Модель: Б6-403
Производитель: Зеленоградский завод «Микрон» при НИИ Молекулярной электроники, г.Зеленоград, 1965г.
Цена: 70р.
Будильник: нет
Резервное питание : есть (9в.)
Яркость: есть
Сделаны в ярко желтом корпусе (который редко встретишь) и скорее всего приурочены были к олимпиаде 80х . Обратите внимание на шрифт логотипа ,заметно отличается. В основном шрифт на логотипах был одинаков.
По сравнению с моделью Б6-401 эти сохранились практически идеально .
Единственное это точность хода нужно подстроить спешат на 2 минуты , и заменить кварц с конденсаторами.
Фактура пластика сделана под кожу ,пазы под защелки фрезерованы с торца.
Обе половинки соединяются одни большим пластиковым болтом M8 под шлицевую отвертку .Я при разборе его разломал ,пластик болта оказался хрупкий.
Также задняя панель имеет много отверстий для настройки.
Рег 1 Вывод проверки цепи питания ламп ИВ12
Рег 2 Общий вывод с микросхемы К176ла7
Рег 3 Подстройка конденсатором точности хода часов.
2 отверстия внизу
1. Проверка осциллографом
2. Общий
Схема часов электроника Б6-403
Внутренности часов ЭЛЕКТРОНИКА Б6-403
пластиковая колодка с пенопластом для защиты наконечников ламп
регулировки помечены на плате зел. маркером
Содержание
- 1 Почему начинают спешить механические, кварцевые и электронные часы?
- 1.1 О точности хода часов
- 1.2 Часы начали спешить, что делать?
- 1.3 Спешат часы ‒ аномалия, предупреждение или банальная неисправность?
- 1.4 Механика: настройка хода механических часов
- 1.5 Почему электронные часы со временем начинают спешить или отставать?
- 1.6 Механизм настенных часов и тестирование точности хода настенных часов
- 1.7 Кварцевые часы
- 2 Статьи. Почему спешат наручные часы
- 2.1 Эталонное время, и можно ли его «удержать» на запястье?
- 2.2 Часы спешат – так это же неплохо!
- 2.3 Спуск – всему голова
Почему начинают спешить механические, кварцевые и электронные часы?
Часы – это отличный аксессуар, который не утратил своей актуальности даже в век компьютерных технологий. С их помощью мы вовремя приходим на деловые встречи, не опаздываем на работу, успеваем отвести детей в детский сад и всегда знаем, сколько минут осталось до долгожданной встречи с любимым человеком.
Простые настенные или антикварные напольные, механические или кварцевые – подобные измерители времени можно встретить в каждом доме. Но даже самый точный механизм время от времени сбивается, и тогда часы начинают нас обманывать: то покажут больше времени, то меньше. В результате – пропущенные встречи и опоздания на работу.
Давайте выясним, почему часы спешат и как исправить эту ситуацию.
О точности хода часов
Многие люди думают, что термин «точность хода часов» означает то, насколько верное время они показывают. Часовщики считают, что точность хода это неизбежное отклонение хода часов от точного времени. Как правило, такие измерения производят один раз в сутки. Существует даже специальная таблица допустимых отклонений для разных типов часов:
- механические часы могут спешить или опаздывать на 30-60 секунд;
- кварцевые – на 20 секунд;
- часы с хронометром не более 5 секунд.
Безусловно, даже самые точные часы иногда дают сбой – в большинстве случаев достаточно подкрутить их до точного времени. Если же часы постоянно обманывают вас, показывая неверное время, то пора обратиться к часовщику и устранить причину поломки.
Спешат часы
Часы начали спешить, что делать?
Стоит начать с того, что во всех механических часах есть небольшая спираль. Степень напряжения и частота колебаний в ней постоянно меняется – чем ниже частота колебаний, тем больше неточность хода. Не стоит думать, что это характерно только для советских моделей – современные механические часики могут обманывать вас на 1,5-2 минуты.
Давайте разберемся, какие еще могут быть причины неточности:
- Реакция на перепады температуры (жара, влажность, сильные морозы).
- Степень взведенности и распускания пружины.
- Загустевшая смазка.
- Положение руки. Если она все время опущена, то и время на часах будет на пару минут больше, чем на самом деле.
- Реакция на изменения в гравитационном поле Земли.
Есть одно очень важное правило: чем завод пружины меньше, тем быстрее идут часы!
Если ваши наручные хранители времени начали спешить, не пытайтесь устранить поломку самостоятельно. Здесь нужен наметанный глаз и точное знание причин. Опытный часовщик исправит причину всего за пару часов, а вы рискуете их окончательно испортить.
Часы женские, SL (цена по ссылке)
Спешат часы ‒ аномалия, предупреждение или банальная неисправность?
Наши предки верили в то, что исправность часов напрямую связана с жизнью их владельцев. Так, если вы недовольны собой и происходящими с вами событиями, то и часы будут идти неправильно. Исправить ситуацию может только одно: наведите порядок в своих мыслях и душе, тогда и время подружится с вами.
Чем больше суеты и переживаний, чем большее количество проблем вы пытаетесь решить одновременно, тем больше будут отставать ваши часы
Эти маленькие хранители времени чутко реагируют на ваши переживания: стоит вам впасть в депрессию или подумать о том, что в вашей жизни все плохо, как часы начинают расстраиваться. Существует пословица: «Счастливые часов не наблюдают». Она имеет двойной смысл, один из которых заключается в том, что когда в вашей жизни все разложено по полочкам, часы исправно работают.
Если ваши ходики постоянно опаздывают, значит – вы зациклились на прошлом, и надо срочно начинать жизнь с чистого листа. Часы – это своеобразный подсказчик, который сигналит: срочно меняйтесь и меняйте все вокруг!
Механика: настройка хода механических часов
Этот вариант часов можно найти в каждом доме – многие модели сохранились еще с советских времен. Такие экземпляры прослужат вам много лет, но и они могут показывать неточное время. Например, часы Восток то и дело стремятся убежать вперед – это исправляется только специалистами.
Часы Восток
Часы – очень нежный механизм, требующий заботы и аккуратного обращения. Их стоит беречь от температурных перепадов, экстремальных ситуаций и повышенной влажности, но есть и еще несколько причин, по которым они начинают глючить:
- Небольшой корпус. Небольшой балансир и пружина автозавода замедляют энергию пружины, отсюда и отставание часов.
- Трение преобладает над балансовой энергией. Отсюда следует быстрый износ запчастей и замедленный ход.
Ответ на вопрос что делать, если спешат механические часы, может быть только одним – обращаться в ремонтную мастерскую. Часовщик очистит и отрегулирует длину балансира, заменит неисправные запчасти, смажет часовые детали маслом. После такого ремонта ваши ходики прослужат вам еще очень долгие годы.
Спешат механические часы
Почему электронные часы со временем начинают спешить или отставать?
В основе подобных ходиков лежит тактовый генератор: это небольшая микросхема, которая выдает импульс один раз за какое-то время. Многие часовщики пытались решить проблему неисправности в них, но исправить, если спешат электронные часы, что-то внутри этого механизма почти невозможно. В любом случае они будут потихоньку отставать или спешить.
Вызвано это двумя вещами:
- Невозможностью создать идеально точную микросхему – погрешность обязательно будет, пусть и в долю секунды.
- Изменение внутренних параметров – уменьшение емкости конденсатора, время срабатывания затвора транзистора.
В этом случае даже нет смысла нести часы в мастерскую – электронные варианты стоят недорого, и проще потратить деньги на покупку новых часов.
Спешат электронные часы
Механизм настенных часов и тестирование точности хода настенных часов
Если вы обладатель простого варианта на батарейках, то исправить поломку просто – достаточно заменить аккумулятор на новый, и они снова станут показывать точное время.
Гораздо проблематичнее, если спешат настенные часы с автоподзаводом – в этом случае можно попытаться починить их самостоятельно. Сам механизм таких часов очень простой, а работать без перебоя он может около трех лет.
Спустя три года с момента покупки аккуратно очистите часы от пыли и грязи, а затем смажьте тонким слоем масла
Сбой в точности хода может произойти и по вине специальных молоточков, которые ударяют по пружинам боя. Пока пружины заведены, аксессуар показывает точное время. Впрочем, это очень легко исправить: достаточно повернуть минутную стрелку по ходу ее движения, и ходики вновь исправно работают.
Не хотите тратить время на самостоятельный ремонт или просто боитесь повредить такой хрупкий механизм? Отнесите часы в ремонтную мастерскую – там им быстро вернут идеальную точность.
Спешат настенные часы с автоподзаводом
Кварцевые часы
Такие модели часов значительно точнее и надежнее, чем их механические собратья. Тем не менее, они тоже могут убегать вперед или отставать. Часовщики выделяют несколько причин, почему спешат наручные кварцевые часы:
- Потребление энергии батарейки. Стандартная может прослужить около года – как только она начинает садиться, ходики ускоряют свой темп. Избежать такой ситуации помогут часы с генератором (частота должна быть не менее 144 ГЦ): при бережной эксплуатации они прослужат вам более 10 лет.
- Износ кристалла кварца (чем он старше, тем больше изменений происходит в резонансной частоте).
- Перепады температурных режимов.
- Использование в условиях повышенной влажности.
- Попадание воды внутрь.
Если у вас возник вопрос: «почему спешат электронные часы» и возникла необходимость в ремонте этого полезного наручного аксессуара, то даже не пытайтесь исправить поломку своими руками. Здесь может помочь только профессионал! В случае, если барахлят дешевые ходики – купите новые, ведь зачастую ремонт обойдется вам в ту же сумму, что и покупка новых. Дорогие кварцевые часики имеет смысл отнести в мастерскую – хороший мастер подарит им вторую жизнь.
Все мы предпочитаем разные часы. Одни носят только механические модели. Другие украшают свои дома массивными настенными часами с кукушкой или дополняют декор простыми часами с красочными узорами. Третьи и дня прожить не могут без своихкварцевых ходиков. Вне зависимости от разновидности, все часы нуждаются в бережном уходе и своевременном ремонте. Самостоятельная починка может привести к плачевному результату, именно поэтому доверить ремонт стоит профессиональным часовщикам.
А еще проще купить новые – в наши дни в магазинах множество моделей, среди которых вы непременно найдете свои идеальные часы.
Источник: https://sunmag.me/chasy/chto-delat-esli-speshat-chasy.html
Статьи. Почему спешат наручные часы
05.12.2018
Наверное, многие хоть раз в жизни, но слышали такое высказывание о часах, как: «А мои идут – секунда в секунду». И традиционно оно было связанно с наручными часами самых разных марок, о которых столь гордо отзывался их владелец.
Но парадокс в том, уважаемые читатели, что хоть выражение давно и существует, а наручных часов абсолютно идеальных по точности часовщикам, как они ни стараются, все еще создать не удалось. Хотя, судя по самым последним их разработкам, они стремительно движутся в этом направлении и времени зря не теряют.
Чего только стоят представленные на BASELWORLD-2018 пока еще в варианте карманных часов Citizen Eco-Drive Caliber 0100 точностью до ± 1 секунды в год!
Поэтому вовсе не удивительно, что пока подобные часы не попали еще на прилавки часовых магазинов и по вполне доступным ценам, вопрос «часы спешат, что делать» у любителей часов нет-нет, но будет возникать снова. 😉
Эталонное время, и можно ли его «удержать» на запястье?
Конечно, самые любознательные и продвинутые потребители могут серьезно возразить, что мы ошибаемся, и возможность иметь точные показания текущего времени уже давно не проблема. А некоторые даже заявят, что уже и часы-то, как часы, для этого не нужны – есть, мол, смартфоны и другие современные девайсы, которые с чем-чем, а этим справляются «на изи». Ну, считают себе, так и Бог с ними, пусть считают. Мы же пока не станем ввязываться в дискуссию о них, как о самом удобном источнике информации о времени. 🙂
Cо своей стороны вполне можем согласиться, что смартфоны, имеющие круглосуточный доступ в Интернет, уже вполне способны правильно отображать точное текущее время. Чем, кстати, не преминули воспользоваться некоторые часовые бренды, начав выпускать часы, использующие для регулировки их текущего времени данные о точном времени, получаемые с мобильных устройств. Как например, многие модели CASIO EDIFICE и G-Shock способные с помощью Bluetooth 4.0 обмениваться с сопряженными смартфонами самой разной информацией, включая данные о точном времени.
Или новинка от Longines модель Conquest V.H.P. GMT Flash Setting, у которой показание времени можно корректировать как традиционно вручную, так и с помощью смартфона и новой технологии светорегулируемого управления Flash Setting. Посредством специального приложения на крошечное отверстие в циферблате часов, скрытое на «12 часах», посредством вспышки смартфона через последовательность световых сигналов передается кодированная информация о точном времени.
Ну и, конечно, запущенные в производство в 2012 году Seiko Astron GPS Solar, способные без всяких «мобильных посредников» ежедневно синхронизироваться с космическими спутниками, бортовые атомные часы которых обеспечивают им точность ±1 секунда в 100 000 лет!
Часы спешат – так это же неплохо!
Но, эталонная точность эталонной точностью, а почему же всё-таки спешат обычные наручные часы: механические порой довольно ощутимо, а кварцевые – вполне терпимо?
Предвидя очевидный вопрос о том, что же в этом хорошего, что «часы спешат», поспешим объяснить, о чем это мы. А смысл кроется в том, что раз часовщикам не удается достичь продолжительного точного хода наручных часов, то спешащие часы в отличие от отстающих всё же позволяют нам ни много ни мало…, но избегать невольных опозданий! Хотя иногда, когда отсчет времени идет уже на секунды, то своей спешкой они лишают нас пусть и призрачной, но надежды всё-таки успеть…
Как бы там ни было, но пора уже разложить всё «по полочкам» в этом, на наш взгляд, чисто техническом вопросе. Вопросе, который включает в себя как минимум два аспекта: технические возможности самого часового механизма и многочисленные факторы переменчивого внешнего окружения.
Для начала разберемся, как с этим у механических часов, а затем и у кварцевых.
Спуск – всему голова
Как известно, большинство механических наручных часов должно «укладываться» в точность хода, не превышающую расхождение -20/+40 секунд в сутки. Такой существенный разброс потенциальной точности хода говорит прежде всего об ограниченности технических возможностей кардинального улучшения традиционной схемы устройства массово выпускаемых механических наручных часов.
Повсеместно применяемый сегодня часовщиками анкерный спуск (изобретен британцем Томасом Мьюджем в 1754 г.) кроме того, что требует для своей эффективной и долговечной работы использования сложных и дорогих в производстве материалов (Glucidur для баланса и Nivarox для спирали), так еще и нуждается в тщательной и трудозатратой настройке.
Не углубляясь в конструкционные особенности и подробные схемы анкерного спуска, остановимся прежде всего на поистине ювелирной работе по настройке хода часов. Перемещая так называемый «градусник» (см. рис. Позиция 1) по часовой стрелке («+», ход ускоряется) или против нее («-», ход замедляется), часовой мастер пытается получить минимальное отклонение точности хода часов, отслеживая результаты на таймграфере.
Но добившись этого для одного стабильного положения, например, «циферблатом кверху», нет никаких гарантий, что, повернув часы «заводным ключом к низу», мы получим тот же результат хода! И этот факт типичен ко всем другим всевозможным положениям часов в пространстве. Поэтому часовые мастера с немалым трудом и упорством стараются найти компромиссное положение «градусника» как минимум для четырех наиболее типичных положений, характерных при эксплуатации наручных часов:
- «циферблатом кверху» – чаще всего, когда часы не носят, они таким образом просто лежат на какой-либо поверхности, или когда человек в часах сидит за столом (на работе или дома);
- «циферблатом книзу» – некоторые склонны хранить часы в таком положении, когда их не носят;
- «заводным ключом книзу» – чаще всего, когда человек стоит или идет, часы находятся в подобном положении;
- «заводным ключом кверху» – часто дорогие модели часов имеют ремешки с неразъемной клипсой и, когда их не носят, они могут продолжительное время находиться в таком положении.
По информации, полученной от часовых мастеров, с помощью такой регулировки в зависимости от класса часового механизма можно добиться вместо среднезаводской (-20/+40) точности хода в пределах +/- 10 секунд в сутки.
Что уже значительно ближе к механическим моделям, прошедшим тщательнейшую настройку, сертификацию C.O.S.C. и получившим статус «хронометр» с гарантированной точностью -4/+6 секунд в сутки. Из 1 млрд выпускаемых ежегодно в мире часов швейцарцы выпускают 1-1,5 млн хронометров. И вполне естественно, что цена таких часов может уже в разы превышать цену обычных механических моделей.
Уделив значительное внимание узлу анкерного спуска часов, хотим сказать еще и пару слов о часто упоминаемом в статьях на данную тему влиянии степени завода заводной пружины на точность хода часов. Одной из наиболее распространённых версий и едва ли не важнейшее из «правил» гласит: «чем слабее завод пружины, тем быстрее идут часы!».
Источник: https://deka.ua/articles/pochemu-speshat-naruchnye-chasy/47/
Время прочтения
5 мин
Просмотры 24K
Электронные часы с люминесцентными индикаторами получили в нашей стране широкое распространение в 80-е годы прошлого века.
Такие часы состояли из одних достоинств. У них был яркий индикатор, хорошо видимый в темноте. Такие часы были беззвучны и не тикали. Если же в электронных часах был будильник, он деликатно пищал, а не «орал благим матом», как звонок механического.
Относительными недостатками были цена (порядка 45 рублей) и питание от сети переменного тока 220 В. Чтобы при отключения сети часы не сбрасывались, в качестве резервного источника питания обычно применялась батарейка типа «Крона». При работе от неё индикация времени на часах отсутствовала.
Недавно мне достались хорошо пожившие часы «Электроника 6.15М». В публикации мы их разберём, почистим и попытаемся разобраться, как они работают.
Вскрытие показало
Часы при продаже позиционировались как нерабочие. Повреждений корпуса не было. Стекло сильно потёрто. Сетевой шнур был отрезан.
«Прозвонка» по шнуру показала, что короткого замыкания внутри нет. При «вскрытии» обугленных компонентов и вздувшихся конденсаторов не обнаружено. Предохранитель – исправен.
Схема электронных часов собрана на двухсторонней печатной плате с металлизированными переходными отверстиями. Сборку делали вручную.
В частотозадающих цепях установлены качественные керамические конденсаторы и кварцевый резонатор в миниатюрном корпусе. Остальные компоненты характерны для советской бытовой техники: конденсаторы К10-7, К50-16 и К50-35; резисторы С1-4; микросхемы в пластиковых корпусах.
Заменяем сетевой шнур на годный. Включаем часы в сеть. На экране появляется индикация. Продавец ввёл в заблуждение: часы работают!
Устанавливаем переключателем «Я» режим нормальной яркости. Кнопкой «Ч» устанавливаем текущее значение часов. Кнопкой «К» устанавливаем точное время: сбрасываем показания минут в ноль. Когда кнопка нажата, все разряды индикатора гаснут. Кнопкой «М» устанавливаем текущее значение минут.
Время срабатывания будильника устанавливается кнопками «Ч» и «М» при нажатой кнопке «Б». Переключателем «С» разрешается подача будильником звукового сигнала, при этом на индикаторе появляется значок в виде колокольчика.
Как эти часы работают
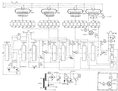
Схему от часов удалось найти только в таком ужасном качестве:
Функционально часы состоят из источника питания (нижняя часть схемы), люминесцентного индикатора (HG1) и специализированного набора микросхем.
В часах используются микросхемы К176ИЕ18, К176ИЕ13 и К176ИД3. В справочнике В.Л. Шило «Популярные цифровые микросхемы» 1987 года издания данных о них нет. Анализ работы схемы будем проводить по публикации С. Алексеева «Применение микросхем серии К176», Радио, 1984, № 4, с.25-28, № 5, с.36-40, № 6, с.32-35.
Функции часов с будильником в этой схеме выполняет микросхема К176ИЕ13. Она содержит счётчики разрядов единиц и десятков минут, единиц и десятков часов, а также узел установки времени срабатывания будильника и схему сравнения текущего времени с временем срабатывания будильника. Внутренний коммутатор микросхемы обеспечивает поочередный вывод значений разрядов в двоично-десятичном коде (BCD) на дешифратор К176ИДЗ, преобразующий BCD в код управления семисегментным индикатором.
Для работы К176ИЕ13 нужен задающий генератор. На схеме ниже приведён пример совместной работы микросхемы часов К176ИЕ13 с задающим генератором на микросхеме К176ИЕ12:
С выходов микросхемы К176ИЕ12 на счётчик К176ИЕ13 подаются импульсы с частотой 1024 Гц, 2 Гц и 1/60 Гц (минутные). Для переключения разрядов индикатора К176ИЕ12 формирует на выходах четыре сигнала с частотой 128 Гц и скважностью 4, сдвинутых относительно друг друга на четверть периода. На рисунке ниже показаны временные диаграммы этих сигналов:
Работа микросхемы К176ИЕ18 во многом похожа на К176ИЕ12, но есть отличия. Выходы для переключения разрядов индикатора в К176ИЕ18 выполнены по схеме с открытым стоком, поэтому для подключения к ним управляющих сеток люминесцентного индикатора не нужны схемы согласования, достаточно «подтягивающих» резисторов. Скважность сигналов переключения разрядов увеличена с 4 до 32/7. При подаче высокого уровня на вывод 14 микросхемы К176ИЕ18 скважность сигналов переключения разрядов увеличивается в 3,5 раза, что существенно снижает яркость свечения индикатора.
Ещё одним отличием микросхемы К176ИЕ18 является наличие схемы звуковой сигнализации. При подаче со схемы сравнения микросхемы К176ИЕ13 на вывод 9 микросхемы К176ИЕ18 сигнала высокого уровня на выводе 7 этой микросхемы появляется прерывистый сигнал звуковой частоты, который можно подать прямо на пьезоизлучатель. На схеме он обозначен как BQ1.
В часах применена динамическая индикация. Одноимённые сегменты всех четырёх разрядов индикатора ИВЛ1-7/5 соединены параллельно. Индикация времени производится следующим образом: на сетку индицируемого разряда с соответствующего выхода К176ИЕ18 подаётся управляющий сигнал, в этот момент на выходе счётчика К176ИЕ13 установлен двоично-десятичный код индицируемого значения, который преобразуется дешифратором К176ИД3 в код управления анодами семисегментного индикатора.
Особенностью дешифратора К176ИД3 является то, что выходы этой микросхемы выполнены по схеме с открытым стоком, но «подтягивающие» резисторы на выходах почему-то отсутствуют.
Параметры источника питания определяются требованиями индикатора. В применённом в часах люминесцентном индикаторе ИВЛ1-7/5 в цепь накала подаётся 5 В «переменки», а для питания анодов и сеток требуется источник постоянного напряжения 27 В. Применённые в часах микросхемы питаются от источника постоянного напряжения 9 В.
Питание от сети переменного тока 220 В подаётся на трансформатор Т1 типа Т19-220-50, который был разработан специально для применения в часах с вакуумно-люминесцентными индикаторами ИВЛ1-7/5 или аналогичными. Выпрямленное диодом VD2 напряжение на конденсаторе C3 составляет порядка 30 В. Через токоограничивающие резисторы R5, R6 оно подаётся на стабилитрон VD3. В результате получаем источник двухполярного питания +9/-22 В.
Напряжение смещения на среднюю точку накальной обмотки подаётся с делителя R5, R6. Смещение нужно, чтобы все знаки индикатора светились одинаково ярко.
Краткие выводы
Советская промышленность выпускала несколько моделей электронных часов со специально разработанными для применения в электронных часах люминесцентными индикаторами и наборами микросхем.
В публикации мы разобрали устройство одной из моделей — «Электроники 6.15М» с индикатором ИВЛ1-7/5 и набором микросхем К176ИЕ18, К176ИЕ13 и К176ИД3. Каких-то сведений о зарубежных аналогах этих микросхем и индикатора найти не удалось.
Люминесцентные индикаторы обладали хорошим углом обзора и высокой яркостью свечения. Цвет свечения в зависимости от модели мог быть от зелёного до синего.
Вакуумно-люминесцентные индикаторы были вытеснены светодиодными и жидкокристаллическими, которые имели гораздо более простые схемы подключения и становились год от года дешевле и технологичней.
ВПС хостинг с быстрыми NVMе-дисками и посуточной оплатой можно у Маклауд.




























































































































